山東萬象環境科技有限公司
聯系人:周經理
銷售電話:19853697985
銷售QQ:3836021633
公司地址:山東省濰坊高新區新城街道玉清社區光電路155號濰坊高新區光電產業加速器(一期)1號樓301

聯系人:周經理
銷售電話:19853697985
銷售QQ:3836021633
公司地址:山東省濰坊高新區新城街道玉清社區光電路155號濰坊高新區光電產業加速器(一期)1號樓301

一、浮標式水質監測站產品簡介
浮標式水質監測站又稱浮標水質監測站,水質浮標監測站,浮標式水質監測站是一款能夠漂浮在水面上對水域環境進行實時監測的水文設備,能夠實時監測水溫、電導率、PH、溶解氧、氨氮等多種水質參數,具有安裝方便的特點,能夠幫助管理人員全面評估水質狀況,可廣泛應用于河流、湖泊、水庫、近海海域等多種水域環境使用。
1.水質浮漂監測站SFA集數據采集、存儲、傳輸和管理于一體的無人值守的采集系統。它在工農業生產、旅游、城市環境監測、地質災害、防洪、供水調度、電站水庫水情管理等為目的水文自動測報系統;功能強大的上位機軟件可遠程觀測實時水雨情信息,具有數據庫、報表、下載等功能,用戶還可利用該功能完善的氣象軟件對記錄的數據作進一步的處理分析。
2.SFA05款浮標是由水質傳感器(水溫、電導率、PH、溶解氧、氨氮)、數據采集儀、通訊系統、供電系統、整體 支架、水質監測平臺六部分組成。同時可擴展 濁度、COD、葉綠素等多項水質要素。數據采集儀具有數 據采集、實時時鐘、數據定時存儲、參數設定和標準2G/4G(GPRS)通信功能。
二、浮標式水質監測站產品特點
1.易部署:各類型探頭進行高度集成,安裝方便;提供免費云平臺服務,系統快速上線;
2.易維護:設備安裝后,自行工作即可,無需人工值守,也可以通過遠程監控的方式保障設備的正常運行;
3.易擴展:傳感器探頭均使用統一的通信協議,可以快速對接原設備,快速擴展監測參數;
4.低功耗:設備可以實現低功耗狀態下,長時間運行,增加設備使用的便利性;
5.實時性:設備監測到的數據實時傳輸至云平臺,提升環境數據反饋的及時性。
三、浮標式水質監測站技術參數
1. 主體參數
| 產品名稱 | 描述 |
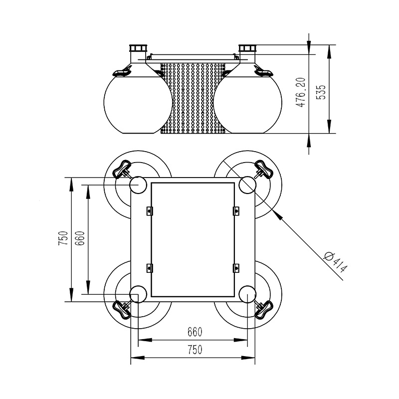
| 環境水質監測浮標 | 可實時實現多路參數在線監測。可實現電池電量監控。可實現云平臺數據監控、數據推送、數據的存儲和報警功能;數據的無線發射功能。峰值功耗為 5W;傳感器功耗 0.25W左右/只。外形尺寸:750mm*750mm*535mm。浮球直徑414mm重量:22kg |
| 采集器數據采集 | 運行可靠,抗干擾,可集成多路RS485/MODBUS-RTU從站設備 |
| 采集器數據輸出 | 1 路 Rs485/JSON協議輸出 |
| 電池 | 鋰電池 12VDC,20AH(默認) |
| 太陽能電池板 | 22.1V/50W(默認) |
| 供電能力 | 定制選型;陰雨天間歇工作 5天以上 |
| 位置指示(選配) | 警示燈;GPS 定位; |
| 監測平臺 | 云平臺;手機/電腦多終端登錄 |
| 防護罩 | 304 不銹鋼濾筒防護罩 |
| 浮體 | 直徑414mm 球形浮體*4工程塑料 |
2.可選配傳感器的主要參數
| 序號 | 名稱 | 測量范圍 | 測量原理 | 測量精度 | 是否標配 | 備注 |
| 1 | 溫度 | 0~50℃ | 高精度數字傳感器 | ±0.3℃ | ? | |
| 2 | pH | 0~14(ph) | 電化學(鹽橋) | ± 0.1PH | ? | |
| 3 | ORP | -1500mv~1500mv | 電化學(鹽橋) | ± 6mv | ||
| 4 | 電導率 | 0~5000uS/cm | 接觸式電極法 | ± 1.5% | ? | |
| 5 | 濁度 | 0~40NTU(低濁) | 散射光法 | ± 1% | 低濁可定制 | |
| 0~1000NTU(中濁) | 散射光法 | ± 1% | 中濁可定制 | |||
| 0~3000NTU(高濁) | 散射光法 | ± 1% | 默認發 | |||
| 6 | 溶解氧 | 0~20mg/L | 熒光壽命法 | ± 2% | ? | |
| 7 | 氨氮 | 0~100mg/l | 離子選擇電極法 | ±1mg | ? | |
| 8 | cod | 0~500mg/ L | UV254 吸收法 | ±5% | 帶有自動清潔器,可防止生物附著,避免光窗污染,以保證長期監測依然具有穩定性;可設置自動清潔時間及清潔次數,功耗0.7W | |
| 濁度 | 0~400NTU | 散射光法 | ± 1% | |||
| 9 | 懸浮物 | 0~2000mg/L | 散射光法 | ±5%(取決于污泥同質性) | ||
| 10 | 葉綠素 | 0~400ug/L | 熒光法 | R2>0.999 | 帶有自動清潔器,可防止生物附著,避免光窗污染,以保證長期監測依然具有穩定性;可設置自動清潔時間及清潔次數,功耗0.7W |
四、產品尺寸圖

五、設備安裝要求
1.遠離大功率無線電發射源
2.遠離高壓輸電線和微波無線電傳送通道
3.盡量靠近數據傳輸網絡
4.遠離強電磁干擾
六、云平臺介紹
1.CS架構軟件平臺,支持手機、PC瀏覽器直接觀測.無需額外安裝軟件。
2.支持多帳號、多設備登錄
3.支持實時數據展示與歷史數據展示儀表板
4.云服務器.云數據存儲,穩定可靠,易于擴展,負載均衡。
5.支持短信報警及閾值設置
6.支持地圖顯示、查看設備信息。
7.支持數據曲線分析
8.支持數據導出表格形式
9.支持數據轉發,HJ-212協議,TCP轉發,http協議等。
10.支持數據后處理功能
11.支持外置運行javascript腳本
WX-LSZ05岸邊水質監測站則通過自動化、智能化的監測技術,能夠實現對水質的連續、在線監測,大大提升了水質管理的效率。同時,監測站還能夠將監測數據實時傳輸至管理部門,方便管理人員隨時掌握水質狀況,及時采取應對措施,確保水質達標。岸邊水質監測站采用了先進的監測技術,能夠實現對水質中多種參數的實時監測,包括溶解氧、pH值、濁度等。...
WX-ZS5水質常規五參數監測儀將數據處理單元、內部水流管路單元、無線傳輸控制等為一體的系統,能夠每天24小時不間斷的監測, 對水質主動監測預警,更好的保障自來水、飲用水衛生安全。 它是通過安裝多個傳感器,比如說PH、溶解氧、濁度、溫度、電導率傳感器,實時監測不同地點的水質情況,監測范圍的擴展讓數據更多,監測結果更準確。...
WX-SZFB04浮標水質監測設備作為一款利用傳感技術和現代信息技術的設備,能夠實現對水質的實時監測、數據傳輸、數據處理和分析預警等功能,實時監測水質參數包括水體的溫度、pH值、溶解氧、濁度、氨氮、總磷等多項指標,為水質管理提供科學依據。另外,設備水上可安裝多參數氣象、GPRS通信等系統,全方位監測,功能強大。...
2024年3月6號,山東萬象環境科技有限公司獨自研發生產的水質傳感器正式上線,山東萬象環境科技有限公司主營水質傳感器,包括水質COD、濁度、溫度三合一變送器,自清洗水質懸浮物傳感器,水質葉綠素變送器,污泥濃度傳感器,濁度,溶解氧,PH等多參數水質在線分析儀,多參數水質分析儀。分析儀采用先進的微控制器作為控制單元...
WX-LSZ04河流水質在線監測系統通過集成多種傳感器和分析儀器,實現對水質參數的實時監測。這些參數包括但不限于水溫、電導率、PH、溶解氧等。系統采用自動化采樣和在線分析技術,能夠連續不斷地采集水樣并進行分析,將數據實時傳輸至監控中心。監控中心通過數據處理和分析軟件,對水質數據進行處理、存儲和展示,及時發現水質異常情況并發出預警。...
WX-SS07便攜式多參數水質檢測儀的設計初衷是為了滿足現場快速檢測的需求,它體積小巧輕便,便于攜帶至各種水域環境進行現場監測。無論是河流、湖泊、水庫,還是游泳池、自來水廠等,都能輕松應對。這種便捷性使得水質監測工作不再受地點限制,能夠隨時隨地展開。多參數檢測是該設備的核心優勢,它集成了pH值、溶解氧、濁度、余氯、電導率等多個水質參數的檢測功能。...